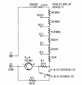
Este é ocircuito de um sensível voltímetro usando um instrumento difícil de obter de 5 uA de fundo de escala. O circuito é de uma Radio Electronics de novembro de 1963.

Este é ocircuito de um sensível voltímetro usando um instrumento difícil de obter de 5 uA de fundo de escala. O circuito é de uma Radio Electronics de novembro de 1963.
