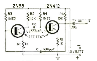
Este útil injetor de sinais de dois transistores foi encontrado na revista Radio Electronics de maio de 1962. O circuito é alimentado por uma única pilha de 1,5 V.

Este útil injetor de sinais de dois transistores foi encontrado na revista Radio Electronics de maio de 1962. O circuito é alimentado por uma única pilha de 1,5 V.
