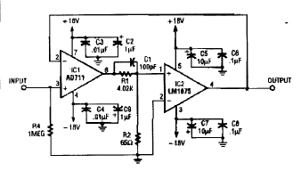
Encontrado na revista Electronics Now numa edição dos anos 90, este circuito é diferente do anterior por inverter a fase do sinal aplicado ao alto-falante. A fonte deve ser simétrica de 18V.

Encontrado na revista Electronics Now numa edição dos anos 90, este circuito é diferente do anterior por inverter a fase do sinal aplicado ao alto-falante. A fonte deve ser simétrica de 18V.
