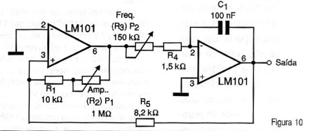
A National Semiconductor sugere o circuito da figura, que utiliza dois amplificadores operacionais do tipo LM101. A forma de onda de saída é triangular, ajustada em forma pelo trimpot P1. No trimpot P2 de 150 k ohms ajusta-se a frequência do oscilador que também depende do capacitor C1. A frequência máxima de operação deste circuito está em torno de 1 MHz e a fonte de alimentação deve ser simétrica.
















