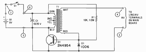
Este circuito se destina a obtenção de alta tensão para circuitos que tenham lâmpada neon e sejam alimentados por baterias. O circuito é de uma Radio Electronics de março de 1977.

Este circuito se destina a obtenção de alta tensão para circuitos que tenham lâmpada neon e sejam alimentados por baterias. O circuito é de uma Radio Electronics de março de 1977.
