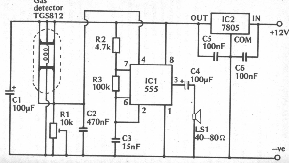
Este circuito de 1989 usa um sensor de gás da época, difícil de encontrar atualmente. O circuito dispara um oscilador que tem por carga um alto-falante de média impedância.

Este circuito de 1989 usa um sensor de gás da época, difícil de encontrar atualmente. O circuito dispara um oscilador que tem por carga um alto-falante de média impedância.
