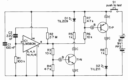
Encontrado numa documentação dos anos 90, este circuito testa tanto transistores PNP como NPN fornecendo a indicação de estado em LEDs. A base é o LM380.

Encontrado numa documentação dos anos 90, este circuito testa tanto transistores PNP como NPN fornecendo a indicação de estado em LEDs. A base é o LM380.
