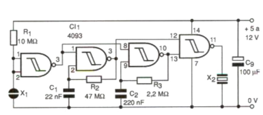
O circuito mostrado na figura 1 gera um tom intermitente em um transdutor piezoelétrico, quando o sensor de toque é ativado. A frequência do tom é dada basicamente por R2 que pode ter valores entre 10 k e 100 k ohms. Será interessante determinar o valor que produz o som de maior volume no transdutor, pois, muitos deles têm seu rendimento máximo numa frequência de ressonância em torno de 4 kHz. A intermitência depende de R3 e C2 que também podem ser alterados numa boa faixa de valores. O transdutor cerâmico fornece uma boa potência de áudio para aplicações alimentadas por pilhas ou bateria de 9V, uma vez que tem baixo consumo. No entanto, para aplicações em que maior potência se faz necessária, ou ainda em que o leitor deseje usar um alto-falante, as etapas de potência da figura 2 podem ser utilizadas. Para alimentação acima de 9 V, o transistor deve ser dotado de um radiador de calor. O sensor de toque consiste em duas chapinhas de metal separadas, que devem ser tocadas simultaneamente.

 


 

 

 

 


 

 

 


 

 

 

 

 

 

NO YOUTUBE


NOSSO PODCAST