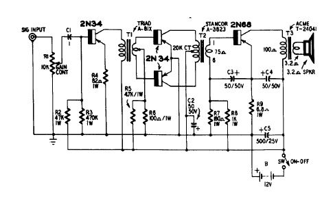
Este circuito é de uma publicação americana dos anos 60. A potência é da ordem de 600 mW. O acoplamento entre as etapas é feito por transformador.

Este circuito é de uma publicação americana dos anos 60. A potência é da ordem de 600 mW. O acoplamento entre as etapas é feito por transformador.
