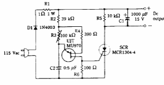
Esta fonte de alimentação sem transformador foi encontrada numa antiga documentação americana. Ela faz uso de um SCR para chaveamento. A corrente é de 100 mA e a tensão de 10 a 15 V.

Esta fonte de alimentação sem transformador foi encontrada numa antiga documentação americana. Ela faz uso de um SCR para chaveamento. A corrente é de 100 mA e a tensão de 10 a 15 V.
