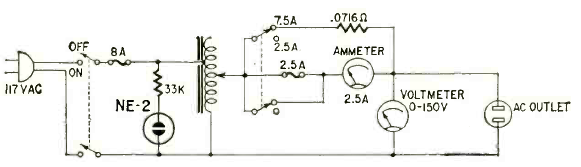
Esta é uma fonte simples tipo variac foi encontrada na revista Radio Electronics de julho de 1962. Tensão e corrente dependem do transformador.

Esta é uma fonte simples tipo variac foi encontrada na revista Radio Electronics de julho de 1962. Tensão e corrente dependem do transformador.
