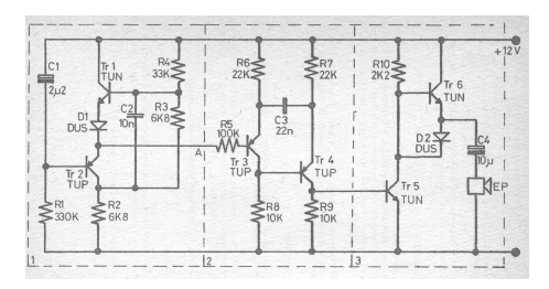
Encontramos esta sirene transistorizada numa antiga publicação inglesa. Os transistores são da época, mas podem ser usados equivalentes atuais. A frequência pode ser alterada com a troca de componentes.

Encontramos esta sirene transistorizada numa antiga publicação inglesa. Os transistores são da época, mas podem ser usados equivalentes atuais. A frequência pode ser alterada com a troca de componentes.
