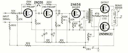
Este circuito é de uma Radio Electronics de julho de 1965. O circuito usa componentes da época controlando também um servo da época. A alimentação é de 28 V.

Este circuito é de uma Radio Electronics de julho de 1965. O circuito usa componentes da época controlando também um servo da época. A alimentação é de 28 V.
