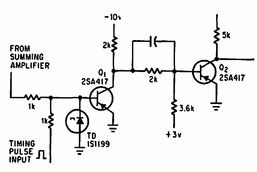
Este circuito com diodo túnel foi encontrado numa documentação americana de 1966. O diodo túnel é o componente crítico deste circuito.

 


| Clique na imagem para ampliar |

 

 

 

NO YOUTUBE


NOSSO PODCAST