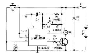
Este circuito emite um som em intervalos regulares com a finalidade de evitar que você durma, por exemplo. Encontramos na Enciclopédia de Circuitos Eletrônicos Volume 5 de 1995.

Este circuito emite um som em intervalos regulares com a finalidade de evitar que você durma, por exemplo. Encontramos na Enciclopédia de Circuitos Eletrônicos Volume 5 de 1995.
