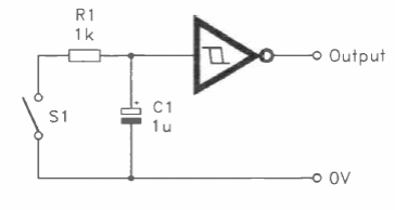
Este circuito anti-repique foi encontrado numa documentação inglesa de 1996. O circuito integrado é o 74LS14;

 


 

 

 

NO YOUTUBE


NOSSO PODCAST