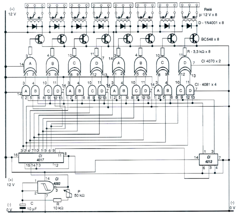
Este circuito sequencial utiliza reles para controlar até oito conjuntos de lâmpadas de qualquer tipo. Os reles são de 12 V e seus contatos devem ser dimensionados de acordo com as cargas controladas. O circuito produz um efeito luminoso bidirecional, ou seja, de movimento em dois sentidos. Além disso, ele é alimentado por 12 V e o ritmo ou velocidade do efeito é ajustado no P50k, um potenciômetro comum. Os relés devem ter bobina de no máximo 50 mA.
Observe que o uso de relés impede a obtenção de efeitos de corrimento muito rápido, pois eles possuem certa inércia. Lâmpadas eletrônicas, pelo seu tempo de acendimento maior, assim como fluorescente, só funcionariam no caso de um efeito muito lento. Enviado pelo leitor Wagner Norberto dos Santos João Pessoa – PB e publicado na revista Eletrônica Totak 124 de 2007.
















