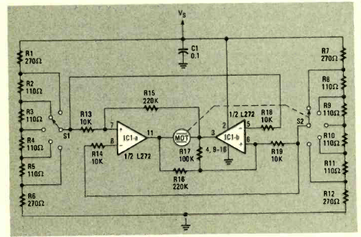
Este controle de motor DC faz uso de um amplificador operacional de potência. Encontramos na revista Radio Electronics de dezembro de 1984. O amplificador deve ser montado em radiador de calor e a corrente máxima é de 1 A.

Este controle de motor DC faz uso de um amplificador operacional de potência. Encontramos na revista Radio Electronics de dezembro de 1984. O amplificador deve ser montado em radiador de calor e a corrente máxima é de 1 A.
