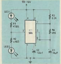
Este pulsador foi encontrado na revista Radio Electronics de setembro de 1984. A frequência é dada pelos resistores e C1, Os LEDs piscam alternadamente.

Este pulsador foi encontrado na revista Radio Electronics de setembro de 1984. A frequência é dada pelos resistores e C1, Os LEDs piscam alternadamente.
