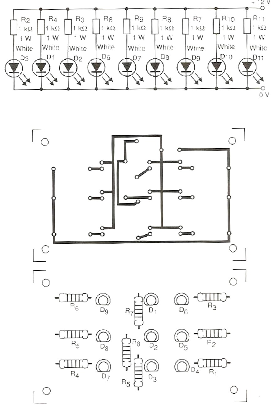
O circuito exibido é de uma lanterna de LEDs de baixo consumo. Os LEDs são do tipo branco com uma corrente de 20 mA, e a alimentação do circuito pode ser feita com tensões de 6 a 12 V. O consumo total depende da quantidade de LEDs uti- lizada e da tensão de alimentação. Jose A. B. Ribeiro
Obs.: Atualmente, existem LEDs brancos de alta potência, alguns deles até com os resistores embutidos. Se o leitor encontrar estes LEDs em sua localidade poderá simplificar bastante este projeto.
















