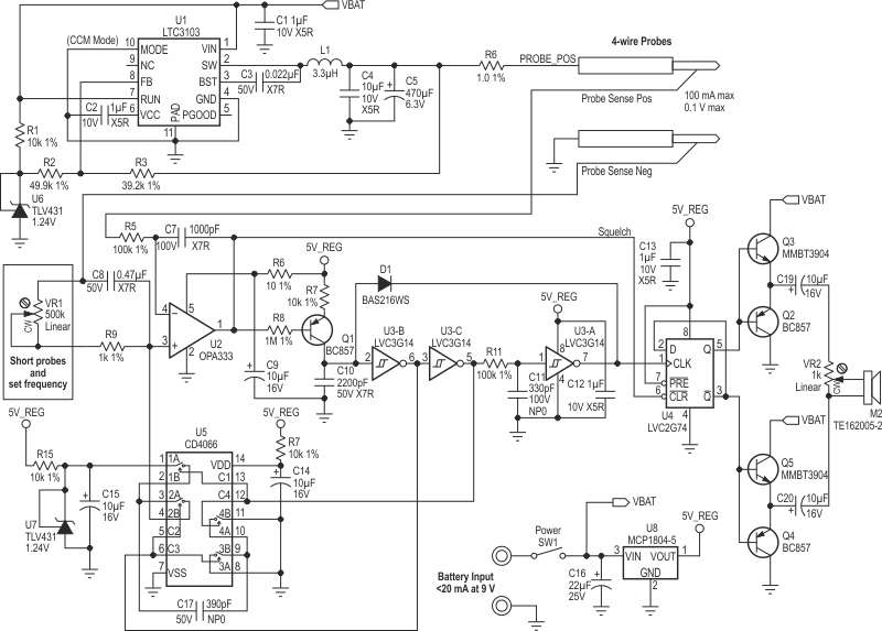
Com base em lógica CMOS este circuito de localizador de curto-circuitos utiliza a capacidade do ouvido de detectar pequenas mudanças de tom, que são provocadas por variação de milivolts numa trilha em análise.
Com base em lógica CMOS este circuito de localizador de curto-circuitos utiliza a capacidade do ouvido de detectar pequenas mudanças de tom, que são provocadas por variação de milivolts numa trilha em análise.