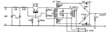
Obtido num manual de transistores de 1956 da Raytheon, este circuito usa varistores para se obter modulação de um sinal para um pequeno transmissor. Os componentes são da época.

 


 

 

 

 

NO YOUTUBE


NOSSO PODCAST