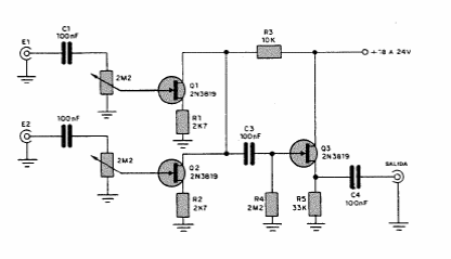
Esta configuração com transistores JFET é bem conhecida, podendo ser encontrada com variações em outros pontos deste site. Os FETs admitem equivalentes de uso geral.

Esta configuração com transistores JFET é bem conhecida, podendo ser encontrada com variações em outros pontos deste site. Os FETs admitem equivalentes de uso geral.
