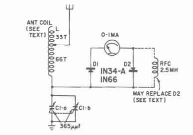
Encontrado num livro sobre transistores de 1960, este circuito dá uma ideia da intensidade do sinal de uma estação, para alimentar o circuito sugerido no projeto anterior.

Encontrado num livro sobre transistores de 1960, este circuito dá uma ideia da intensidade do sinal de uma estação, para alimentar o circuito sugerido no projeto anterior.
