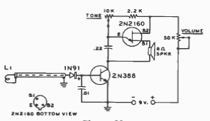
Este monitor de transmissão de telegrafia fornece um sinal a um alto-falante a partir de um oscilador com transistor unijunção. O circuito é de uma publicação de 1977.

Este monitor de transmissão de telegrafia fornece um sinal a um alto-falante a partir de um oscilador com transistor unijunção. O circuito é de uma publicação de 1977.
