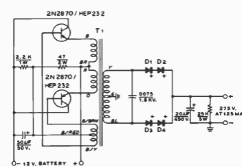
Encontrado numa publicação para radioamadores de 1977, este circuito usa transistores de potência da época. Não foram dadas informações sobre o transformador.

Encontrado numa publicação para radioamadores de 1977, este circuito usa transistores de potência da época. Não foram dadas informações sobre o transformador.
