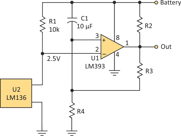
COM base no LM393 ou LM136 da Texas Instruments, este circuito se destina ao monitoramento de baterias de tensões mais alta, chegando a 14 V durante a carga.

 


 

 

 

 

NO YOUTUBE


NOSSO PODCAST