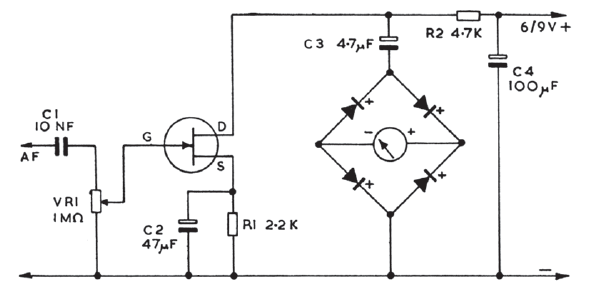
Encontramos este circuito numa documentação inglesa antiga. O JFET pode ser qualquer de uso geral e o instrumento um microamperímetro de 50 ou 100 uA.

Encontramos este circuito numa documentação inglesa antiga. O JFET pode ser qualquer de uso geral e o instrumento um microamperímetro de 50 ou 100 uA.
