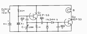
Numa versão moderna este circuito pode usar um LED em série com um resistor em lugar da lâmpada. O circuito é de uma documentação americana de 1977.

 


 

 

 

 

NO YOUTUBE


NOSSO PODCAST