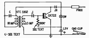
O transistor CK722 usado neste circuito é um dos primeiros tipos comerciais do mundo. A publicação é de 1954 e a frequência dada por C que pode ter valores entre 10 e 100 nF.

O transistor CK722 usado neste circuito é um dos primeiros tipos comerciais do mundo. A publicação é de 1954 e a frequência dada por C que pode ter valores entre 10 e 100 nF.
