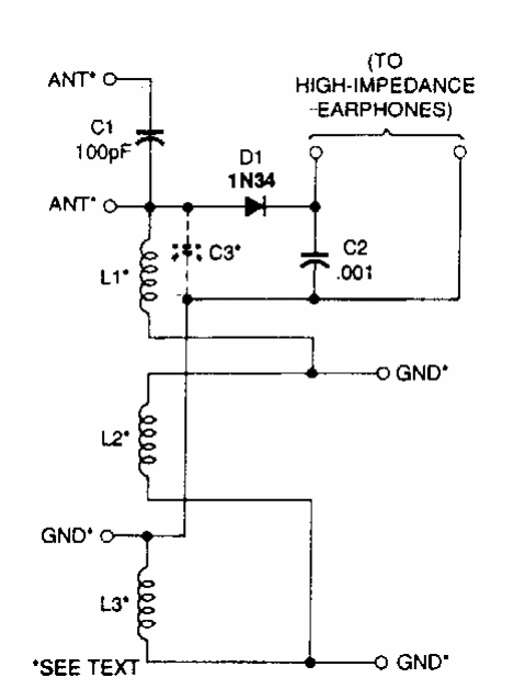
Este circuito de sintonia de antena foi encontrado numa Popular Electronics dos anos 90. As bobinas dependem das faixas de frequências sintonizadas.

Este circuito de sintonia de antena foi encontrado numa Popular Electronics dos anos 90. As bobinas dependem das faixas de frequências sintonizadas.
