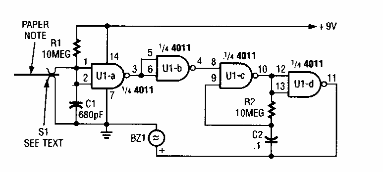
O que este interessante circuito faz é avisar que uma nota escrita num papel foi retirada e lida, acionando um circuito de aviso com um buzzer intermitente. O circuito é de uma Popular Electronics dos anos 90.
O que este interessante circuito faz é avisar que uma nota escrita num papel foi retirada e lida, acionando um circuito de aviso com um buzzer intermitente. O circuito é de uma Popular Electronics dos anos 90.