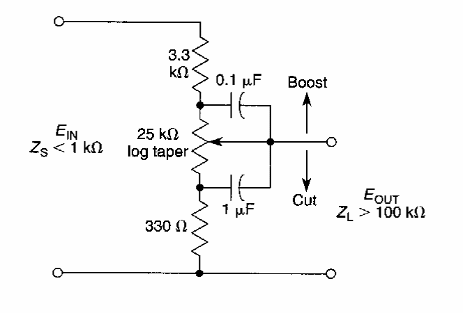
Este circuito com perdas de 20 dB em 350 Hz foi encontrado numa documentação antiga, mas se aplica a circuitos modernos de pré-amplificadores e amplificadores.

 


| Clique na imagem para ampliar |

 

 

 

NO YOUTUBE


NOSSO PODCAST