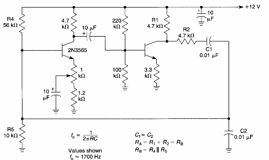
Este circuito foi encontrado numa documentação americana antiga. Trata-se de uma ponte de Viena com os valores dos componentes calculados pelas fórmulas junto ao diagrama.

 


| Clique na imagem para ampliar |

 

 

NO YOUTUBE


NOSSO PODCAST