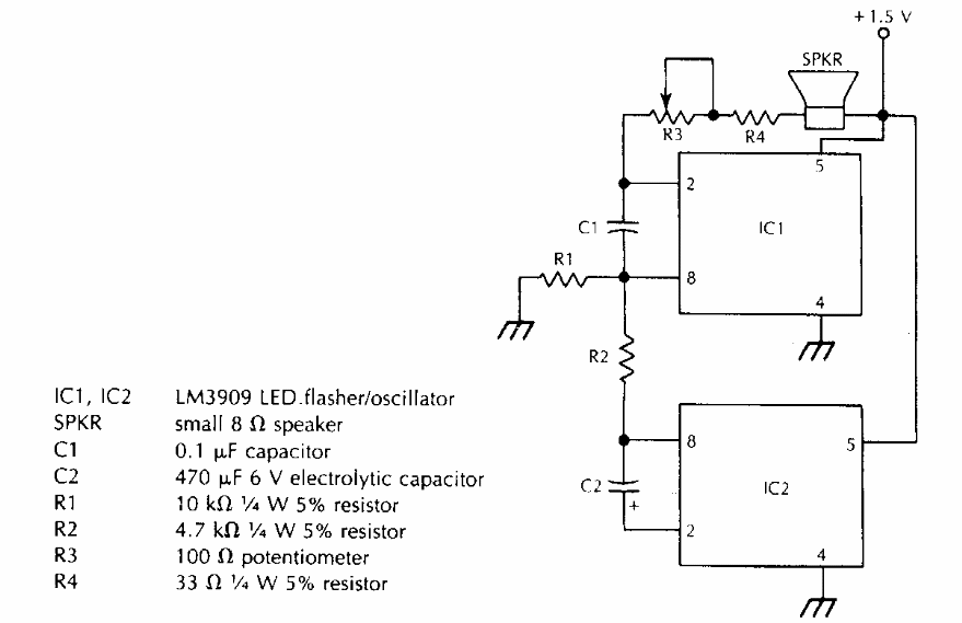
Sirene de dois tons LM3909 CIR21770S CB21236E (CIR20679)
Detalhes
Escrito por: Newton C. Braga
Este circuito foi obtido numa documentação americana dos anos 90. Os componentes podem ser alterados e uma etapa de potência pode ser agregada para maior volume do som.