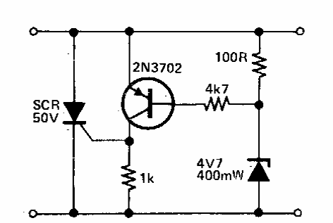
Na figura o modo de se implementar um circuito crowbar simples. O transistor admite equivalente e o SCR pode ser o TIC106. A tensão de disparo é determinada pelo diodo zener.

Na figura o modo de se implementar um circuito crowbar simples. O transistor admite equivalente e o SCR pode ser o TIC106. A tensão de disparo é determinada pelo diodo zener.
