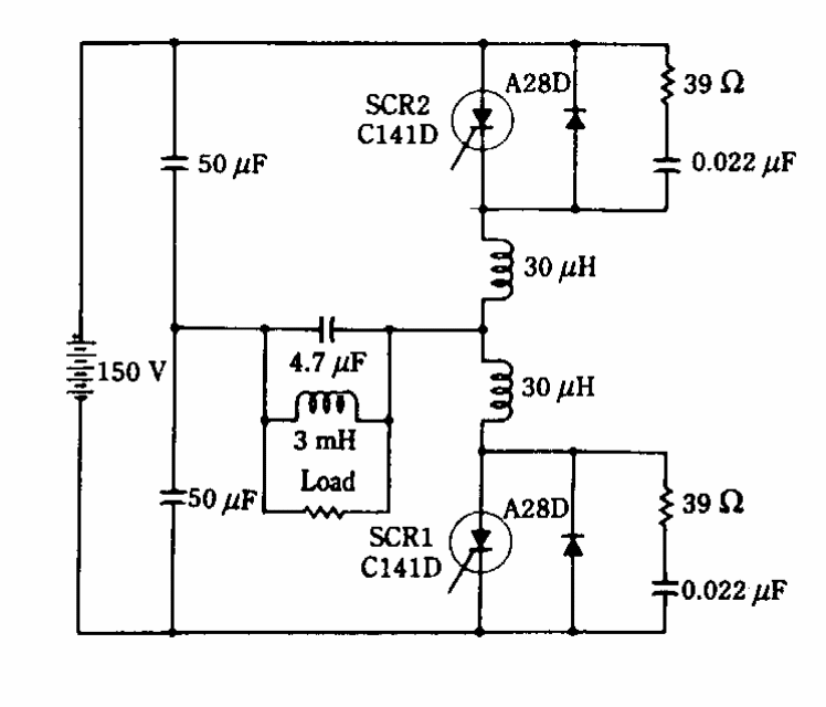
Este circuito foi obtido numa documentação americana dos anos 90. Os indutores são componentes críticos do circuito. A saída é senoidal de 120 V.

 


| Clique na imagem para ampliar |

 

 

NO YOUTUBE


NOSSO PODCAST