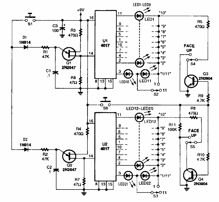
Encontrado numa Popular Electronics dos anos 80, este circuito simula o jogo equivalente de cartas. O circuito é CMOS podendo, na verdade, ser alimentado com tensões de 6 a 12 V.

 


| Clique na imagem para ampliar |

 

 

 

NO YOUTUBE


NOSSO PODCAST