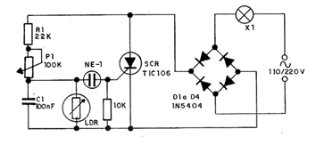
Esta aplicação para um SCR numa rede de 110V ou 220V CA é de um circuito que acende automaticamente uma lâmpada quando escurece e a apaga ao amanhecer. O sensor é um LDR comum que deve ficar apontado para o céu, de modo a receber apenas a luz ambiente e não a luz da lâmpada que controla, pois isso traria uma realimentação capaz de provocar oscilações. O ajuste do ponto de disparo é feito no potenciômetro.

 

 

 


 

 

 

 

NO YOUTUBE


NOSSO PODCAST