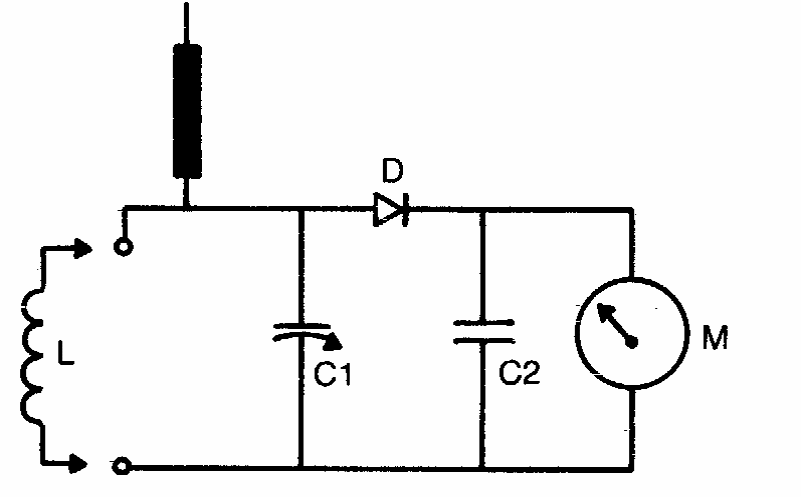
Este circuito, que faz uso de um diodo de germânio, pode trabalhar com sinais de 1,5 a 150 MHz. C1 é um variável comum e C2 tem 4,7 nF de cerâmica. L depende da frequência. O indicador é de 50 uA.
Este circuito, que faz uso de um diodo de germânio, pode trabalhar com sinais de 1,5 a 150 MHz. C1 é um variável comum e C2 tem 4,7 nF de cerâmica. L depende da frequência. O indicador é de 50 uA.