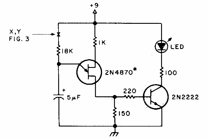
Este circuito mantém um LED piscando em frequência determinada pelo capacitor. O transistor unijunção pode ser o 2N2646.

 


| Clique na imagem para ampliar |

 

 

 

NO YOUTUBE


NOSSO PODCAST