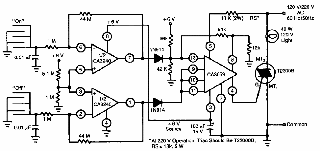
Encontrado em documentação da RCA dos anos 90, este circuito emprega componentes integrados da época. A carga depende do triac utilizado.

 


| Clique na imagem para ampliar |

 

 

 

NO YOUTUBE


NOSSO PODCAST