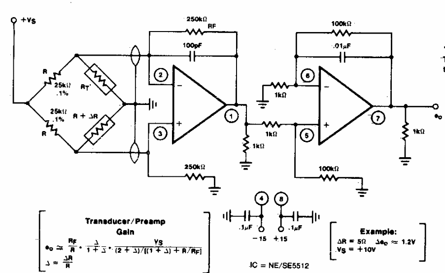
Este circuito foi encontrado numa documentação antiga. Os amplificadores operacionais podem ser praticamente de qualquer tipo. Fórmulas para projeto são dadas junto ao diagrama.
Este circuito foi encontrado numa documentação antiga. Os amplificadores operacionais podem ser praticamente de qualquer tipo. Fórmulas para projeto são dadas junto ao diagrama.