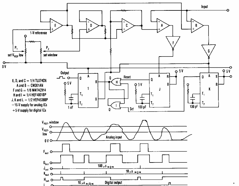
Este circuito foi encontrado numa Electronic Design dos anos 90. As formas dos sinais obtidos em função das entradas são mostradas junto ao diagrama.

 


| Clique na imagem para ampliar |

 

 

 

NO YOUTUBE


NOSSO PODCAST