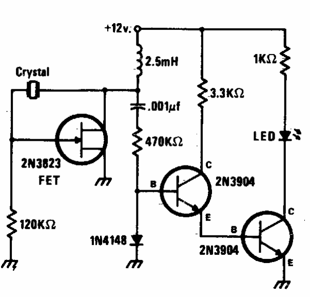
Os transistores usados neste provador de cristais são de uso geral. O circuito foi encontrado numa documentação dos anos 80. Os cristais podem ter até 8 MHz.

Os transistores usados neste provador de cristais são de uso geral. O circuito foi encontrado numa documentação dos anos 80. Os cristais podem ter até 8 MHz.
