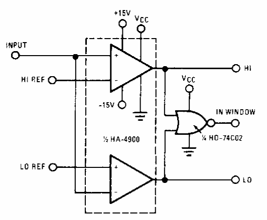
Este detector ou comparador de janela foi sugerido pela Harris em documentação dos anos 90. O circuito integrado é da época, HA-4900, pouco comum em nossos dias.

Este detector ou comparador de janela foi sugerido pela Harris em documentação dos anos 90. O circuito integrado é da época, HA-4900, pouco comum em nossos dias.
