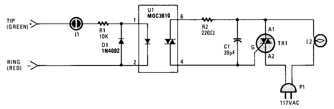
Este circuito usa um acoplador óptico para indicar uma chamada telefônica através de uma lâmpada. O circuito é de uma Hands-On Electronics dos anos 90. A lâmpada deve ser incandescente.
Este circuito usa um acoplador óptico para indicar uma chamada telefônica através de uma lâmpada. O circuito é de uma Hands-On Electronics dos anos 90. A lâmpada deve ser incandescente.