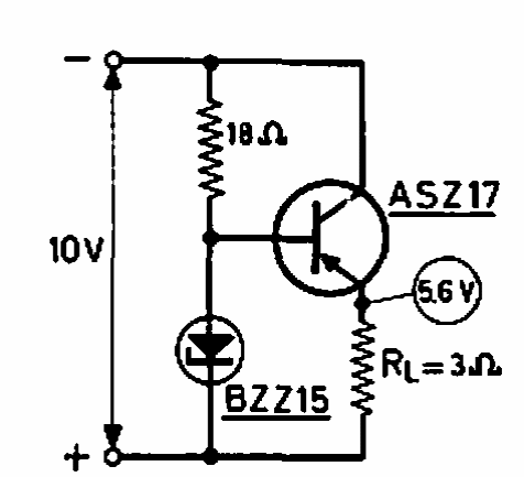
Este simples circuito de regulador de 5,6 V foi encontrado numa documentação da Philips de 1966. O zener pode ser alterado para se obter outras tensões.

Este simples circuito de regulador de 5,6 V foi encontrado numa documentação da Philips de 1966. O zener pode ser alterado para se obter outras tensões.
