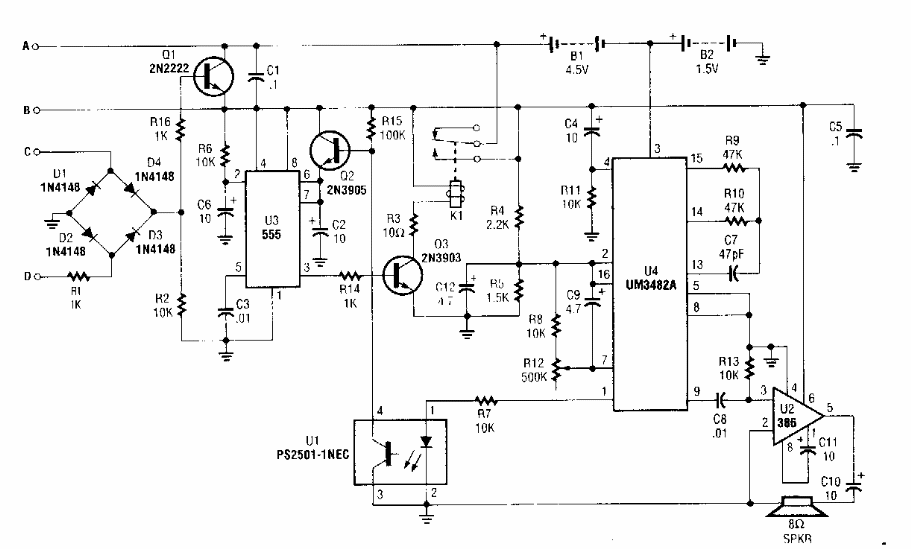
Esta campainha de porta musical foi encontrada numa Popular Electronics dos anos 90. O circuito integrado gerador de melodia U4 é pouco comum em nossos dias.

 


| Clique na imagem para ampliar |

 

 

NO YOUTUBE


NOSSO PODCAST