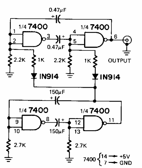
Este circuito foi encontrado numa Radio Electronics dos anos 80. O sinal deve ser aplicado a uma etapa amplificadora. Os capacitores podem ser alterados para troca de efeitos.

Este circuito foi encontrado numa Radio Electronics dos anos 80. O sinal deve ser aplicado a uma etapa amplificadora. Os capacitores podem ser alterados para troca de efeitos.
